Описание
Высокотехнологичный жидкотопливный насос, приспособленный к суровым промышленным условиям, включает встроенный регулятор давления и место для установки подогревателя.
- Диапазон регулирования: 40 бар макс.
- (за исключением TA5: 30 бар макс)
- Расход топлива, при 2850 об/мин, 20 сСт, 20 бар: 500-1350 л/ч
Suntec TA Насосы с регулятором Скачать PDF (1112кбайт)
| Модель | Установка* | Соединения шлангов Rp | Диапазон давления бар |
|---|---|---|---|
| TA 2 A 4010 6 | Ф 54 | G½» | 7 — 40 |
| TA 2 C 4010 7 | Ф 54 | G½» | 7 — 40 |
| TA 3 A 4010 7 | Ф 54 | G½» | 7 — 40 |
| TA 3 C 4010 7 | Ф 54 | G½» | 7 — 40 |
| TA 4 C 4010 7 | Ф 54 | G½» | 7 — 40 |
| TA 5 C 3010 7 | Ф 54 | G½» | 7 — 30 |
Метод установки: Фланцевое 54 мм.
По запросу возможна замена насоса Данфос (насос Danfoss)
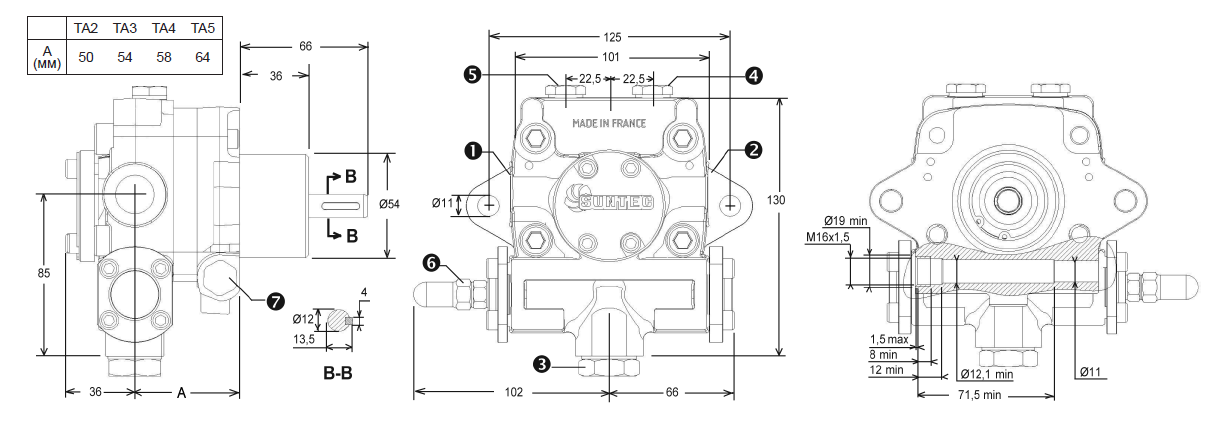
Идентификация насоса
(Нажмите для увеличения изображения)
Принцип работы насоса
Зубчатая пара всасывает топливо из емкости и перекачивает его к клапану, регулирующему давление жидкого топлива, затем к форсуночной линии. Топливо, не прошедшее через линию форсунки, сливается через клапан в обратную линию при двухтрубной системе; при однотрубной системе возвращается к зубчатой паре.
Отвод воздуха:
Заглушка порта манометра должна быть ослаблена до тех пор, пока воздух выходит из системы.
Примечание:
Все модели ТА выполнены для двухтрубной системы (в порт вакуумметра установлена заглушка байпаса). Для однотрубной системы заглушка байпаса должна быть снята, и обратная линия закрывается стальной заглушкой с шайбой.
Возможность установки подогревателя
Не допускайте холодного запуска насоса с топливом высокой вязкости во избежание повреждения сцепления. Для этого корпус насоса TA имеет отверстие для установки электрического подогревателя. Исполнение этого посадочного места обеспечивает максимальную передачу тепла от подогревателя к топливу в насосе, без прямого контакта топлива и подогревательного элемента.
Подогреватели должны быть включены в течение некоторого времени перед запуском насоса. Когда достигнута нужная температура, они могут быть отключены или оставлены постоянно включенными для поддержания температуры топлива в насосе во время периодических остановок горелки.
Подаваемое топливо, трубы и фильтры должны подогреваться отдельно.
| Общие данные | |
|---|---|
| Монтаж | Фланцевый |
| Соединительная резьба | Цилиндрическая согласно ISO 228/1 |
| Всасывающая и обратная линия | G½» |
| Выход на форсунку | G½» |
| Порт манометра | G¼» |
| Порт вакуумметра | G¼» |
| Вал | ∅ 12 мм |
| Заглушка байпаса | Устанавливается в обратную линию для двухтрубной системы; снимается ключом-шестигранником размером 3/16″ мм для однотрубной системы |
| Вес | TA 2 5,4 кг TA 3 5,7 кг TA 4 6,0 кг TA 5 6,4 кг |
| Гидравлические данные | |
| Диапазон давления на форсунку | 30: 7-30 бар 40: 7-40 бар |
| Заводская установка давления | 30 бар |
| Эксплуатационная вязкость | 3 — 75 мм2/с (сСт) (Допускается использование топлива большей вязкости после его подогрева для снижения вязкости ниже 75 сСт. Для керосина свяжитесь с представителем SUNTEC). |
| Температура топлива | 0 — 150ºC макс. в насосе |
| Давление на входе | Дизельное топливо: 0,45 бар макс. вакуума для предотвращения отделения воздуха от топлива Мазут: 5 бар макс. |
| Давление на выходе | 5 бар макс. |
| Номинальная скорость | 3600 об/мин макс. |
| Вращающий момент | (при 40 об/мин) 0,3 Н.м. |
| Характеристики подогревателя | Подогревательный элемент ∅ 12 мм |
| Установка | Согласно европейскому стандарту EN50262 |
| Мощность | 80 — 100 Вт |
Показано на примере «C» вращения для серийных номеров 500 000 и выше.
Для «A» вращения измените все соединения насоса на зеркально-противоположные.

(2) Выход на форсунку
(3) Обратная линия
(4) Порт манометра
(5) Порт вакуумметра или манометра
(6) Регулировка давления
(7) Посадочное место подогревателя

