Описание
Насос с двухрежимной работой давления с двумя регуляторами давления и одним выходом на форсунку.
Диапазон регулирования:
- Низкий режим: 8-15 бар
- Высокий режим: 12-25 бар
- Расход топлива, при 2850 об/мин, 5 сСт, 10 бар: 40-130 л/ч
Suntec AP2 Электромагнитный клапан — скачать PDF (550 кбайт)
| Модель | Установка* | Соединения шлангов Rp | Диапазон давления бар |
|---|---|---|---|
| AP2 65 C 9511 4P 0500 | В 32 | G¼» | 4 — 25 |
| AP2 75 C 9562 1P 05001 | В 32 | G¼» | 8 — 25 |
¹ Вал с двумя полостями.
* Метод установки: Втулочное Ø32 или Ø54 мм / Фланцевое 54 мм.
По запросу возможна замена насоса Данфос (насос Danfoss)
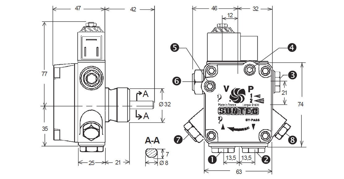
Идентификация насоса
(Нажмите для увеличения изображения)
Принцип работы насоса
Зубчатая пара всасывает топливо из емкости через встроенный фильтр и перекачивает его к форсуночной линии. Регулирование давления обеспечивается двумя золотниковыми клапанами, по одному для каждого режима давления. Переключение между низким и высоким давлением осуществляется «нормально открытым» электромагнитным клапаном байпаса. Когда электромагнитный клапан не активирован, канал байпаса открыт, функционирует электромагнитный клапан регулировки низкого давления, который устанавливает давление в форсунке. Когда электромагнитный клапан активирован, канал байпаса закрыт, и давление будет постепенно расти по обе стороны клапана низкого давления, игнорируя его воздействие, давление в форсунке теперь определяет клапан регулировки высокого давления.
В двухтрубной системе в обратную линию должна быть установлена заглушка байпаса, чтобы топливо, слитое регулировочным клапаном, было возвращено в емкость, а поток линии всасывания равен мощности зубчатой пары. Отвод воздуха в двухтрубной системе происходит автоматически (обеспечивается специальной полостью на поршне), но может быть ускорен открытием порта манометра.
В однотрубной системе топливо, не прошедшее через линию форсунки, возвращается непосредственно на всасывание через клапаны, регулирующие давление, а поток линии всасывания равен потоку в форсунке. В таком случае с обратной линии должна быть снята заглушка байпаса, и обратная линия закрывается стальной заглушкой с шайбой. Для выпуска воздуха из системы должен быть открыт порт манометра.
| Общие данные | |
|---|---|
| Монтаж | Втулочный согласно европейскому стандарту EN 225 |
| Соединительная резьба | Цилиндрическая согласно ISO 228/1 |
| Всасывающая и обратная линия | G¼» |
| Выход на форсунку | G⅛» |
| Порт манометра | G⅛» |
| Порт вакуумметра | G⅛» |
| Функция клапана | Регулировка давления без функции запирания |
| Сетчатый фильтр | Открытая область: AP2 45/55/65 6 см2 AP2 75/95 20 см2 |
| Размер отверстия: | 150 μм. |
| Вал | ∅ 8 мм согласно европейскому стандарту EN 225 |
| Заглушка байпаса | Устанавливается в обратную линию для двухтрубной системы; снимается ключом-шестигранником размером 4 мм для однотрубной системы |
| Вес | 1,3 кг |
| Гидравлические данные | |
| Диапазон давления на форсунку | Низкое давление: 8-15 бар Высокое давление: 12-25 бар AP2 75/95: давление обеспечивается с форсункой 12,0 гал/ч (Другие диапазоны возможны по запросу при предоставлении характеристик насоса) |
| Заводские установки давления | Низкое давление: 9 бар Высокое давление: 22 бар AP2 75/95: давление обеспечивается с форсункой 12,0 гал/ч |
| Эксплуатационная вязкость | 2 — 12 мм2/с (сСт) |
| Температура топлива | 0 — 60ºC насосе |
| Давление на входе | 2 бар макс. |
| Давление на выходе | 2 бар макс. |
| Высота всасывания | Макс. 0,45 бар вакуума для предотвращения отделения воздуха от топлива |
| Номинальная скорость | 3600 об/мин макс. |
| Вращающий момент | AP2 45/55 0,10 Н.м. AP2 65 0,12 Н.м. AP2 75 0,14 Н.м. AP2 95 0,20 Н.м. |
| Характеристики электромагнитного клапана | |
| Напряжение | 220-240 или 110-120 или 24 В; 50/60 Гц |
| Потребление | 9 Вт (напряжение = 230 или 110 или 24 В) |
| Температура окружающей среды | 0 — 60ºC |
| Максимальное давление | 25 бар |
| Сертифицирован | TÜV номер проштампован на крышке насоса |
| Класс защиты | IP 54 согласно EN 60529, при использовании соединительного кабеля SUNTEC |
| Характеристики электрического разъёма | |
| См. технические данные DOC133496 | |
Показано на примере «C» вращения и выхода на форсунку.
Насосы модификации 1
Насосы модификации 4

(2) Обратная линия и внутренняя заглушка байпаса
(3) Выход на форсунку
(4) Порт манометра
(5) Порт вакуумметра
(6) Регулировка низкого давления
(7) Регулировка высокого давления
(8) Выход давления (или порт манометра)



